Реостат сопротивления РСП-4 ползунковый предназначен для контроля силы тока и или напряжения.
Исполнение реостата | Величина допустимого тока, А | Сопротивление проводящего элемента в зависимости от габарита = 4 Ом |
1 | 0,25 | 6500 |
2 | 0,35 | 3350 |
3 | 0,45 | 1950 |
4 | 0,55 | 1200 |
5 | 0,7 | 800 |
6 | 0,85 | 560 |
7 | 1,0 | 400 |
8 | 1,4 | 250 |
9 | 1,7 | 150 |
10 | 2,1 | 95 |
11 | 2,6 | 70 |
12 | 3,0 | 50 |
13 | 3,4 | 38 |
14 | 4,0 | 30 |
15 | 4,5 | 23 |
16 | 5,0 | 19 |
17 | 5,5 | 16 |
18 | 6,2 | 13 |
19 | 7,0 | 11 |
Структура условного обозначения РСП(С)-Х Х3:

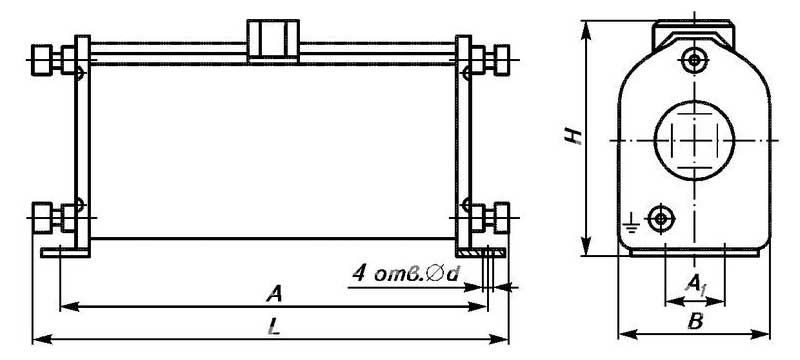
Схема - габаритные и установочные размеры реостата
L, мм | 533 |
B, мм | 86 |
H, мм | 126 |
A, мм | 506 |
A1, мм | 32 |
d, мм | 4 |
Масса, кг | 3,32 |

Электрические схемы включения реостата
ДОСТАВКА
Вы можете выбрать любой наиболее удобный способ из перечисленных ниже:
Доставка до терминала ТК «Деловые линии» осуществляется нами бесплатно.
ОПЛАТА
Мы принимаем оплату:
Цены на поставляемые нами товар всегда ниже, чем у наших конкурентов.
Условия гарантийного обслуживания
Гарантия не распространяется на ущерб, причиненный другому оборудованию, работающему вместе с данным изделием.
Центр измерительной техники «Эталонприбор» располагает своим собственным ремонтным сервисом, где Вы можете получить услуги по: ремонту, наладке, калибровке, гарантийному и послегарантийному обслуживанию измерительного оборудования, как приобретенного у нас, так и у других поставщиков. Сервис работает на основе лицензии, выданной Ростехрегулированием РФ.
