Шаговый двигатель KRS561 (фланец 56 мм) предназначен для:
Вал | Выводов | Макс. статический момент, кг.см | Номинальный ток фазы, А | |
по фронту | с двух сторон | |||
Длина корпуса - 42 мм | ||||
KRS561S-4040 | KRS561D-4040 | 4 биполяр | 4 | 0,4 |
KRS561S-4062 | KRS561D-4062 | 4 биполяр | 6,4 | 0,62 |
KRS561S-6100 | KRS561D-6100 | 6 униполяр | 4 | 1 |
KRS561S-8100 | KRS561D-8100 | 8 униполяр | 4,5 | 1 |
--//-- параллельно | биполяр | 6,4 | 1,4 | |
--//-- последовательно | биполяр | 6,4 | 0,7 | |
KRS561S-4140 | KRS561D-4140 | 4 биполяр | 6,4 | 1,4 |
KRS561S-4200 | KRS561D-4200 | 4 биполяр | 6,4 | 2 |
KRS561S-6200 | KRS561D-6200 | 6 униполяр | 4 | 2 |
KRS561S-8212 | KRS561D-8212 | 8 униполяр | 4,5 | 2,12 |
--//-- параллельно | биполяр | 6,4 | 3 | |
--//-- последовательно | биполяр | 6,4 | 1,5 | |
KRS561S-4300 | KRS561D-4300 | 4 биполяр | 6,4 | 3 |
Вал | Номинальное сопротивление обмотки одной фазы, Ом | Номинальная индуктивность обмотки одной фазы, мГн | |
по фронту | с двух сторон | ||
Длина корпуса - 42 мм | |||
KRS561S-4040 | KRS561D-4040 | 15,5 | 30 |
KRS561S-4062 | KRS561D-4062 | 12 | 24 |
KRS561S-6100 | KRS561D-6100 | 5 | 8 |
KRS561S-8100 | KRS561D-8100 | 5,7 | 7,8 |
--//-- параллельно | 2,85 | 78 | |
--//-- последовательно | 11,4 | 31,2 | |
KRS561S-4140 | KRS561D-4140 | 2,8 | 6 |
KRS561S-4200 | KRS561D-4200 | 1,1 | 2,8 |
KRS561S-6200 | KRS561D-6200 | 1,4 | 1,4 |
KRS561S-8212 | KRS561D-8212 | 0,86 | 1,09 |
--//-- параллельно | 0,43 | 1,09 | |
--//-- последовательно | 1,72 | 4,36 | |
KRS561S-4300 | KRS561D-4300 | 0,43 | 1,09 |

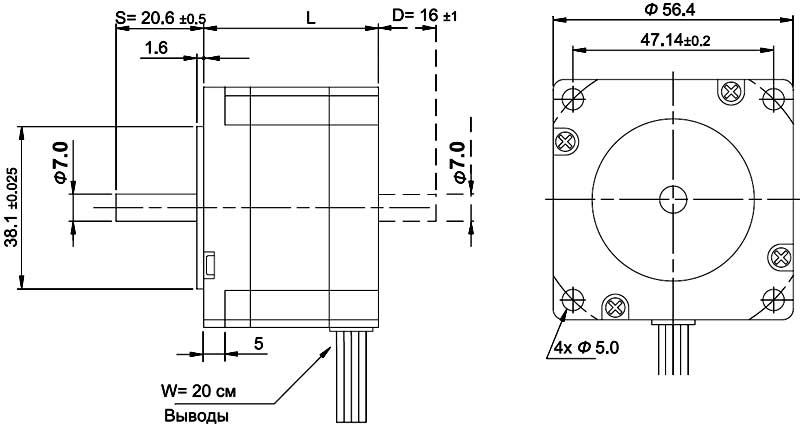
Схема - габаритные размеры двигателя
ДОСТАВКА
Вы можете выбрать любой наиболее удобный способ из перечисленных ниже:
Доставка до терминала ТК «Деловые линии» осуществляется нами бесплатно.
ОПЛАТА
Мы принимаем оплату:
Цены на поставляемые нами товар всегда ниже, чем у наших конкурентов.
Условия гарантийного обслуживания
Гарантия не распространяется на ущерб, причиненный другому оборудованию, работающему вместе с данным изделием.
Центр измерительной техники «Эталонприбор» располагает своим собственным ремонтным сервисом, где Вы можете получить услуги по: ремонту, наладке, калибровке, гарантийному и послегарантийному обслуживанию измерительного оборудования, как приобретенного у нас, так и у других поставщиков. Сервис работает на основе лицензии, выданной Ростехрегулированием РФ.
