Шаговый двигатель KRS851 (фланец 85 мм) предназначен для:
Вал | Выводов | Макс. статический момент, кг.см | Номинальный ток фазы, А | |
по фронту | с двух сторон | |||
KRS851S-8210 | KRS851D-8210 | 8 универсал | 18 | 2,1 |
KRS851S-8270 | KRS851D-8270 | 8 универсал | 18 | 2,7 |
KRS851S-8400 | KRS851D-8400 | 8 универсал | 18 | 4 |
KRS851S-8500 | KRS851D-8500 | 8 универсал | 18 | 5 |
Вал | Номинальное сопротивление обмотки одной фазы, Ом | Номинальная индуктивность обмотки одной фазы, мГн | |
по фронту | с двух сторон | ||
KRS851S-8210 | KRS851D-8210 | 1,9 | 7,2 |
KRS851S-8270 | KRS851D-8270 | 1,2 | 4,5 |
KRS851S-8400 | KRS851D-8400 | 0,68 | 2,0 |
KRS851S-8500 | KRS851D-8500 | 0,45 | 1,5 |
| Параметры | Значение |
| Климатическое исполнение | УХЛ4.2 согласно ГОСТ 15150 |
| Степень защиты | IP40 согласно ГОСТ 17494 |
| Способ защиты от поражения электрическим током | класс III согласно ГОСТ 12.2.007.0 |
| Нагревостойкость электрической изоляции | не ниже класса А согласно ГОСТ 28173 |
| Диапазон рабочих температур | 10С...+50С |
| Сопротивление изоляции согласно ГОСТ 16264.0 | не менее 100 Мом в холодном состоянии в нормальных условиях |
| Электрическая прочность изоляции | не менее 500 В |
| Статическая погрешность шага | ±5 |
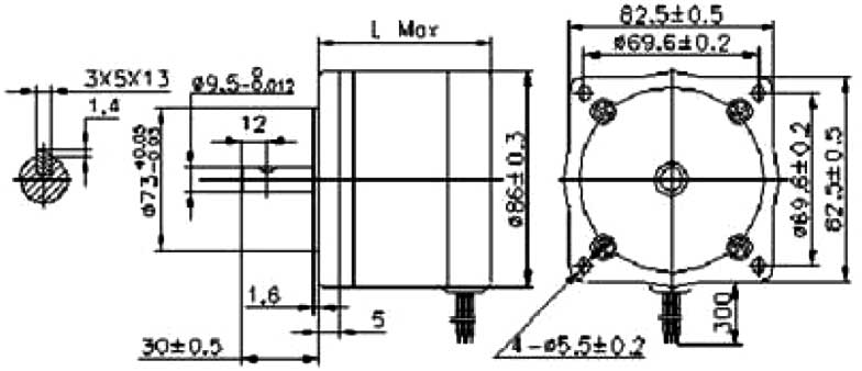
| Крепление двигателя | с помощью винтов за передний фланец 85х85мм (NEMA34) |
| Максимальное радиальное усилие, 20мм от фланца | 220N |
| Максимальное аксиальное усилие | 60N |
| Длина корпуса | 62 мм |
| Инерция ротора | 0,64 кг.см2 |
| Масса | 1,6 кг |

Схема - габаритные размеры двигателя
ДОСТАВКА
Вы можете выбрать любой наиболее удобный способ из перечисленных ниже:
Доставка до терминала ТК «Деловые линии» осуществляется нами бесплатно.
ОПЛАТА
Мы принимаем оплату:
Цены на поставляемые нами товар всегда ниже, чем у наших конкурентов.
Условия гарантийного обслуживания
Гарантия не распространяется на ущерб, причиненный другому оборудованию, работающему вместе с данным изделием.
Центр измерительной техники «Эталонприбор» располагает своим собственным ремонтным сервисом, где Вы можете получить услуги по: ремонту, наладке, калибровке, гарантийному и послегарантийному обслуживанию измерительного оборудования, как приобретенного у нас, так и у других поставщиков. Сервис работает на основе лицензии, выданной Ростехрегулированием РФ.
