Ограничитель ОНТ-3 предназначен для автоматического ограничения напряжения холостого хода вторичной обмотки сварочного трансформатора до безопасного, не больше 12 В, во время разрыва сварочной цепи.
В стандартный набор поставки ограничителя ОНТ-3 входит:
| Параметры | Значения |
| Напряжение питания сети, В/(Частота) | 3-х ф. сеть ~380 / (50 Гц) |
| Вид сварочного тока | постоянный |
| Номинальный сварочный ток СА, А / (ПВ). | 800 / (100 %) |
| Максимальная мощность потребления, Вт, не более | 10 |
| Величина пониженного напряжения в режиме холостого хода СА, В, не более | 12 |
| Время выдержки полного напряжения холостого хода СА после разрыва дуги, с | не более 1 |
| Время срабатывания при замыкании сварочной цепи, с. | 0,02 |
| Габаритные размеры, мм | 350×235×85 |
| Масса | 4,5 |
Ограничитель ОНТ-3 изготовленный в виде навесной приставки к сварочным аппаратам. Возможно закрепление ограничителя на вертикальной стене с помощью скоб.
Ограничитель состоит из основания, изготовленного в виде короба, разделённого на два отсека:
Отсек электроники содержит электронные компоненты и печатные платы, объединённые жгутом.
Отсек закрывается крышкой, на котором размещены индикаторы и кнопка КОНТРОЛЬ. Отсек имеет пломбировочные шайбы.
Отсек подключения содержит клемную колодку для подключения ограничителя к сварочному трансформатору и предохранитель. Отсек подключения закрывается откидной крышкой, с внутренней стороны которой размещена схема подключения ограничителя к сварочному трансформатору.
С правой стороны корпуса ограничителя находится клема заземления. На передней панели ограничителя размещены пояснительные и предупредительные надписи.

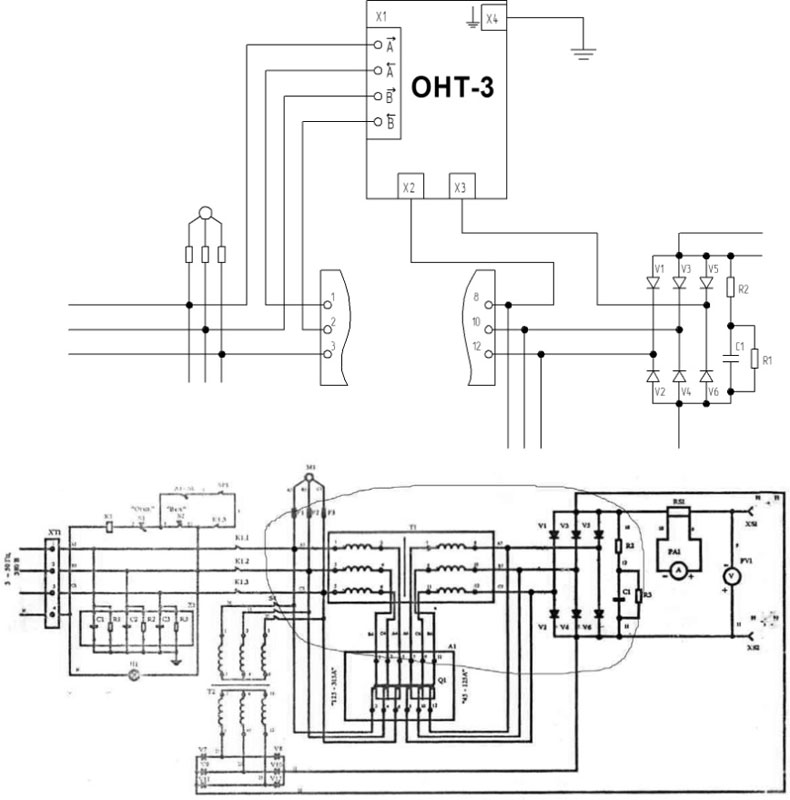
Рис.1. Схема подключения ОНТ-3 ограничителя
Ограничитель – это электронный прибор, который содержит узел защиты, узел управления напряжением, которое подаётся на первичную обмотку сварочного трансформатора, и узел контроля.
Эксплуатацию ограничителя можно разделить на такие режимы работы:
Режим сварки. В этом режиме узел управления напряжением обеспечивает подачу полного напряжения сети на первичную обмотку сварочного трансформатора во время замыкания сварочной дуги.
Режим холостого хода. В этом режиме узел управления обеспечивает удержание полного напряжения сети на первичной обмотке сварочного трансформатора на протяжении ~ 0.8 с после разрыва сварочной дуги, а после снижения этого напряжения до величины, которая обеспечивает напряжение холостого хода на вторичной обмотке сварочного трансформатора не более 12 В.
Режим контроля В случае нажатия и удержания кнопки КОНТРОЛЬ иммитируется неисправность узла управления ограничителя, когда в режиме холостого хода на выходе сварочного трансформатора появляется полное напряжение холостого хода, вместо пониженного, не более 12 В. При этом узел контроля обеспечивает световую сигнализацию о работоспособности, то есть высвечивается индикатор РАБОТА.
Узел защиты во всех указанных выше режимах обеспечивает контроль целосности предохранителя, в случае выхода со строя которого, загорается индикатор ЗАЩИТА.
Наличие напряжения питания в ограничителе ОНТ-3 контролируется индикатором СЕТЬ.
ДОСТАВКА
Вы можете выбрать любой наиболее удобный способ из перечисленных ниже:
Доставка до терминала ТК «Деловые линии» осуществляется нами бесплатно.
ОПЛАТА
Мы принимаем оплату:
Цены на поставляемые нами товар всегда ниже, чем у наших конкурентов.
Условия гарантийного обслуживания
Гарантия не распространяется на ущерб, причиненный другому оборудованию, работающему вместе с данным изделием.
Центр измерительной техники «Эталонприбор» располагает своим собственным ремонтным сервисом, где Вы можете получить услуги по: ремонту, наладке, калибровке, гарантийному и послегарантийному обслуживанию измерительного оборудования, как приобретенного у нас, так и у других поставщиков. Сервис работает на основе лицензии, выданной Ростехрегулированием РФ.
