по РФ бесплатно
пн-пт 9:00-18:00
пн-пт 9:00-18:00
по РФ бесплатно
Ваш город
Нет
Да
КОНТАКТНАЯ ИНФОРМАЦИЯ
Телефоны:8 (800) 777-30-09 (по РФ бесплатно), 8 (495) 748-30-09, 748-30-60, 664-28-44.
Адрес:141006, Московская обл., г. Мытищи, Олимпийский пр-т, д. 29, стр. 2, офис 43/1.
УВАЖАЕМЫЕ КЛИЕНТЫ!
Цены на сайте могут отличаться, просьба уточнять конечную стоимость у наших менеджеров!
TMM-540


Реле напряжения РН-119

Цена:
2 564
Общая стоимость 0 руб.
В корзину
Купить в 1 клик
Нашли дешевле?
Снизим цену!
В избранное
Характеристики
Гарантия
10 лет
Стоимость доставки от 800 ₽ (уточнять у менеджера)
Срок доставки: 2 - 10 дней при наличии товара на складе
Бесплатная доставка от 50000₽
Безналичный расчет для юридических лиц
Самовывоз со склада компании ЭТАЛОНПРИБОР
Гарантия 10 лет
Более 350 брендов
Самые лучшие
цены
Техническая
документация
Быстрая доставка
по России
Сервисный
центр
  • Описание
  • Доставка и оплата
  • Гарантия и возврат
  • Отзывы
  • Сервис
  • Документация
Описание

Реле напряжения РН-119 предназначено для отключения бытовой и промышленной однофазной нагрузки любой мощности при недопустимых колебаниях напряжения в сети с последующим автоматическим включением после восстановления параметров сети.

При  мощности нагрузки до 3,6 кВт (ток до 16 А) для РН-119 отключение производится непосредственно изделием, выходные контакты которого включены в разрыв питания нагрузки.

При большей мощности отключение производится магнитным пускателем соответствующей мощности, в разрыв цепи питания катушки которого включены выходные контакты изделия (МП в комплект поставки не входит).

Реле РН-119 фиксирует  максимальное и минимальное значения напряжения с момента подачи напряжения питания на  изделие или с момента последнего просмотра запомненных значений.

Реле напряжения РН-119 индицирует действующее значение входного напряжения и состояние выходных контактов реле.

Краткие характеристики

  • Номинальное напряжение: 230/240 В
  • Максимальный коммутируемый ток (активной нагрузки): 16 А
  • Мощность потребления (при не подключенной нагрузке), Вт: не более 2
  • Индикация: светодиоды, индикатор
  • Сечение проводов для подключения к клеммам: 0,3 – 3,3 мм2
  • Габаритные размеры, HхBхL: 90x65x18
  • Масса, не более: 0,1 кг
  • Гарантия: 10 лет

Принцип работы

РН-119 может находиться в следующих состояниях:

  • Нормальная работа (нагрузка включена, горит индикатор включения нагрузки, а на дисплее отображается значение контролируемого напряжения);
  • Авария (нагрузка отключена, индикатор включения нагрузки не горит, на дисплей выводится значение контролируе-мого напряжения в мигающем режиме);
  • Индикация времени АПВ (нагрузка отключена, индикатор включения нагрузки не горит, на дисплей выводится время в се-кундах, оставшееся до окончания выдержки времени АПВ, и го-рит индикатор «ton»). После завершения времени АПВ изде-лие перейдет в состояние «Нормальная работа» при условии нормального напряжения на входе.
  • Изделие может работать в четырех независимых режимах:
  • Реле напряжения изделие переходит в состояние «Авария» при снижении входного напряжения ниже Umin или при повышении входного напря-жения выше Umax; 
  • Реле минимального напряжения переходит в состояние «Авария» при сниже-нии входного напряжения ниже  Umin; 

Схема габаритных размеров реле РН-119

Рис.1 Схема габаритных размеров реле РН-119

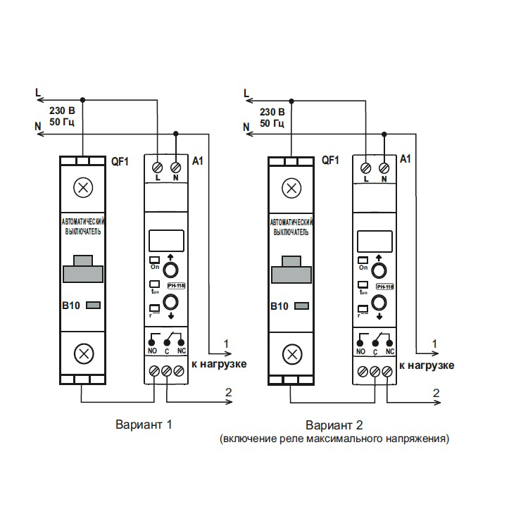
Схема подключения РН-119

Рис.2 Схема подключения РН-119

Схема панели управления реле РН-119

Рис.3 Схема панели управления реле РН-119

  1. выходные контакты для подключения нагрузки
  2. индикатор режима "Реле максимального напряжения" R
  3. индикатор отсчета времени АПВ (ton)
  4. индикатор включения нагрузки (On)
  5. дисплей
  6. входные контакты для подключения питания
  7. кнопка ВВЕРХ
  8. кнопка "ВНИЗ"

Условия эксплуатации

Изделие предназначено для эксплуатации в следующих условиях:

  • температура окружающей среды от минус 35 до +55ºС
  • атмосферное давление от 84 до 106,7 кПа
  • относительная влажность воздуха (при температуре +25ºС) 30 … 80%.

Перед подключением к электрической сети выдержите из-делие в условиях эксплуатации в течение двух часов (т.к. на элементах изделия возможна конденсация влаги).

Изделие не предназначено для эксплуатации в условиях:

  • значительной вибрации и ударов;
  • высокой влажности;
  • агрессивной среды с содержанием в воздухе кислот, щелочей и т. п., а также сильных загрязнений (жир, масло, пыль и пр.).

Технические характеристики

 
Номинальное переменное однофазное напряжение питания сети, В  230 
Частота сети, Гц 47 – 65
Гармонический состав (несинусоидальность) напряжения питания ГОСТ 32144- 2013 

Диапазон регулирования по Umin, В

160 – 220

Диапазон регулирования по Umax, В 230 – 290 

Диапазон регулирования времени АПВ ( tвкл), с 

5 – 900

Фиксированное время срабатывания по Umax, с

0,5

Фиксированное время срабатывания при импульсном повышении напряжения более 420 В

при длительности импульса более 1,5 мс

≤ 0,02 с

Максимальный коммутируемый ток (активной нагрузки)

16 А

Количество контролируемых фаз:

1

Точность определения порога срабатывания по напряжению

до 3 В

Напряжение отключения, В:

 

нижнее:

160-220

верхнее:

230-280

Гистерезис возврата по напряжению, В

4 – 5 

Сечение проводов для подключения к клеммам

0,3 - 3,3 мм²

Момент затяжки винтовых зажимов, не более, Н*м:

0,4

Диапазон рабочих температур, ⁰С:

от -35 до +55

Габаритные размеры, мм:

90х65x18

Тип подключения:

винтовые зажимы

Гарантия производителя, лет:

10

Масса, кг  0,10

Установка (монтаж) изделия - стандартная DIN-рейка 35 мм

Изделие сохраняет свою работоспособность при любом положении в пространстве

Материал корпуса - самозатухающий пластик

Вредные вещества в количестве, превышающем предельно допустимые концентрации, отсутствуют

 

Развернуть полное описание
Доставка и оплата

ДОСТАВКА

Вы можете выбрать любой наиболее удобный способ из перечисленных ниже:

  • Самовывоз со склада компании ЭТАЛОНПРИБОР
  • Доставка через транспортную компанию "Деловые линии"
  • Доставка экспресс - почтой "ПОНИ-ЭКСПРЕСС" до двери
  • Доставка по Москве и области нашими экспедиторами и курьерами
  • Доставка через транспортную компанию "ПЭК"
  • Отправка посылкой с помощью Почты России
  • Доставка через транспортную компанию покупателя

Доставка до терминала ТК «Деловые линии» осуществляется нами бесплатно.

ОПЛАТА

Мы принимаем оплату:

  • по безналичному расчету
  • перечислением денежных средств на расчетный счет для юридических лиц
  • банковским переводом для физических.

Цены на поставляемые нами товар всегда ниже, чем у наших конкурентов.

Гарантия и возврат

Условия гарантийного обслуживания

  1. Гарантия действительна только при наличии гарантийного талона с указанием заводского номера изделия, гарантийного срока и печати поставщика.
  2. Гарантия предусматривает бесплатный ремонт изделия или замену запасных частей, комплектующих в течении гарантийного срока, указанного в гарантийном талоне.
  3. Заводской номер и наименование изделия должны соответствовать указанным в гарантийном талоне.
  4. Изделие снимается с гарантийного обслуживания в следующих случаях:
    1. Нарушения условий эксплуатации, изложенных в технической документации изделия, которые привели к выходу изделия из строя, включая неисправности, вызванные использованием нештатных аксессуаров;
    2. Нарушения гарантийных пломб, в случае наличия следов вскрытия или взлома корпуса изделия;
    3. Ремонта в неуполномоченном сервисном центре или самостоятельно (кроме элементов и источников питания, замена которых предусмотрена производителем);
    4. Использования изделия не по назначению;
    5. Нарушения правил хранения и транспортирования;
    6. Наличия внешних механических повреждений, включая повреждения разъёмов и контактов;
    7. Наличия внешних повреждений, вызванных стихией, пожаром, молнией, высоким напряжением;
    8. Попадания внутрь влаги, инородных предметов и т.п.
    9. Неправильном включении в сеть.
  5. Гарантия не распространяется на расходные материалы и прочие детали, имеющие ограниченный срок службы: элементы питания (в т.ч. аккумуляторы), имеющие ограниченную прочность.
  6. Недополученная в связи с появлением неисправности прибыль и другие косвенные расходы не подлежат возмещению.

Гарантия не распространяется на ущерб, причиненный другому оборудованию, работающему вместе с данным изделием.

Отзывы
Отзывы о товаре Реле напряжения РН-119

16A, 220В, одномодульное (управление кнопками, фиксация напряжения при отключении) 1 DIN

Сервис

Центр измерительной техники «Эталонприбор» располагает своим собственным ремонтным сервисом, где Вы можете получить услуги по: ремонту, наладке, калибровке, гарантийному и послегарантийному обслуживанию измерительного оборудования, как приобретенного у нас, так и у других поставщиков. Сервис работает на основе лицензии, выданной Ростехрегулированием РФ.

 
Подробнее
Документация
 
Сервисное обслуживание
Простой обмен и возврат
Поможем решить любую проблему с товаром
Собственный сервисный центр
Устраним любую неисправность по гарантии. Срок указан без учета логистики
Сервисы по всей России
Обращайтесь за обслуживанием в авторизованные сервисы производителя
Похожие товары
 
Полезные статьи
При выборе манометра необходимо учитывать ряд важных факторов, чтобы прибор подходил для конкретной системы.
Уровень влажности в помещении играет важную роль в формировании оптимальных условий для комфортного пребывания. Для определения этого параметра используются устройства, называемые гигрометрами. В этой статье мы расскажем, как выбрать подходящее оборудование такого типа для различных объектов.
Осциллограф — это прибор для наблюдения, измерения, записи и анализа амплитудных и временных характеристик электрического сигнала. Подаваемый на вход устройства, он отображается либо на экране, либо фиксируется на фотоленте для последующего изучения.
Если вы задумались о приобретении мультиметра, важно заранее ознакомиться с рядом полезных рекомендаций, которые помогут сделать правильный выбор. Мы подготовили небольшую статью, которая, надеемся, окажется полезной.
Цифровой тахометр — это прибор, предназначенный для измерения частоты вращения различных объектов, таких как валы, двигатели и роторы. В отличие от аналоговых моделей, цифровые тахометры обеспечивают высокую точность измерений и удобство использования благодаря современным технологиям и информативному дисплею. Они широко используются в самых разных отраслях: от автомобильного сервиса и промышленности до научных исследований и контроля вентиляционных систем.
Мегаомметр – это специализированный прибор, предназначенный для измерения сопротивления изоляции электрических цепей и оборудования. В условиях современного мира, где электричество играет ключевую роль во всех сферах жизни, обеспечение безопасности и надежности электрических систем становится особенно важным. От качества изоляции проводников и оборудования зависит не только эффективность их работы, но и безопасность людей и объектов, которые они обслуживают.
Измерительные приборы играют ключевую роль в различных отраслях, начиная от промышленности и строительства, заканчивая медициной и научными исследованиями. Правильная эксплуатация и уход за этими приборами являются залогом точных измерений и долговечности оборудования.
Осциллографы играют ключевую роль в современных лабораториях и на производственных предприятиях, являясь незаменимым инструментом для анализа и визуализации электрических сигналов. Независимо от того, являетесь ли вы инженером-электронщиком, студентом технического вуза или энтузиастом электроники, понимание принципов работы осциллографов, их видов и характеристик, а также правил эксплуатации и ухода за ними, имеет первостепенное значение.
Амперметр предназначен для измерения величины тока в электрических цепях, выраженной в амперах. В основе его работы лежит простой принцип: инструмент позволяет наглядно увидеть мощность тока, потребляемого устройствами, подключенными к сети. Обычно амперметр подключают в цепь с нагрузкой, поэтому ток, протекающий через него, идентичен току, проходящему через любой другой элемент цепи, будь то нагреватель, мотор или лампочка.
На этапах возведения, отделки и монтажа различных сооружений большую роль играют точность разметки и идеальное выравнивание. Достижение профессиональных стандартов качества возможно при использовании лазерного нивелира. Для выбора подходящей модели целесообразно ознакомиться с механизмом работы этих устройств.
Новинки