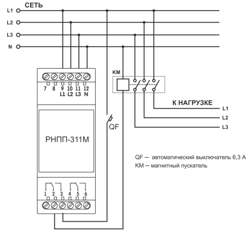
Реле напряжения РНПП-311М предназначено для защиты трехфазных потребителей от основных видов аварии в электрической сети, таких как:
Устройство контролирует основные параметры электрической сети и при их отклонении отключает нагрузку.
Светодиоды на лицевой панели реле индицируют:
Регулировочные потенциометры позволяют пользователю установить:
С помощью переключателей на лицевой панели устройства пользователь может выбрать тип контролируемой сети 400 / 415 В, а также включить или отключить контроль следующих параметров сети:
Соответствующие комбинации положения переключателей позволяют РНПП-311М работать в различных режимах:
Контроль наличия фаз сохраняется при любом положении переключателей в том числе, когда они находятся в положении ВЫКЛ.

ДОСТАВКА
Вы можете выбрать любой наиболее удобный способ из перечисленных ниже:
Доставка до терминала ТК «Деловые линии» осуществляется нами бесплатно.
ОПЛАТА
Мы принимаем оплату:
Цены на поставляемые нами товар всегда ниже, чем у наших конкурентов.
Условия гарантийного обслуживания
Гарантия не распространяется на ущерб, причиненный другому оборудованию, работающему вместе с данным изделием.
380В, с питанием 24В -настройка порогов напряжения регулировка времени АПВ и срабатывания, вкл/откл защит - 2 DIN
Центр измерительной техники «Эталонприбор» располагает своим собственным ремонтным сервисом, где Вы можете получить услуги по: ремонту, наладке, калибровке, гарантийному и послегарантийному обслуживанию измерительного оборудования, как приобретенного у нас, так и у других поставщиков. Сервис работает на основе лицензии, выданной Ростехрегулированием РФ.
